วาล์วลดแรงดันปรับได้รุ่น 200X เป็นวาล์วควบคุมไฮดรอลิกที่มีประสิทธิภาพในการควบคุมและปรับแรงดันในท่อส่ง โดยใช้พลังงานของตัวกลางเองวาล์วลดความดันแบบปรับได้ 200X ใช้ในระบบ급น้ำภายในบ้าน, ระบบ급น้ำสำหรับดับเพลิง, และระบบ급น้ำอุตสาหกรรมอื่น ๆ โดยการปรับวาล์วลดความดันนำทาง, ความดันที่ทางออกของวาล์วหลักสามารถควบคุมได้ ความดันที่ทางออกจะไม่ถูกกระทบจากความเปลี่ยนแปลงของความดันที่ทางเข้าหรืออัตราการไหลที่ทางเข้า, ทำให้ความดันที่ทางออกคงที่และปลอดภัยที่ค่าที่ตั้งไว้ ค่าที่ตั้งไว้สามารถปรับได้ตามต้องการเพื่อให้ได้การลดความดันตามที่ต้องการ วาล์วชนิดนี้ให้การลดความดันที่แม่นยำ, ประสิทธิภาพที่เสถียร, ความปลอดภัยและความน่าเชื่อถือ, การติดตั้งที่สะดวก, และอายุการใช้งานที่ยาวนาน
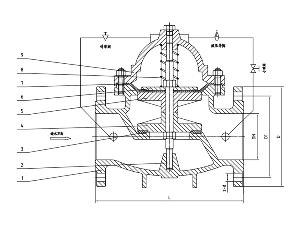
ลักษณะโครงสร้างและการประยุกต์ใช้
วาล์วลดแรงดันแบบปรับได้ 200X ประกอบด้วยระบบท่อควบคุมไฮดรอลิกซึ่งประกอบด้วยวาล์วหลัก วาล์วนำ วาล์วเข็ม วาล์วลูกบอล ไมโครฟิลเตอร์ และเกจวัดแรงดัน เมื่อตั้งค่าแรงดันขาออกแล้ว ระบบจะรักษาแรงดันขาออกให้คงที่โดยอัตโนมัติ ผลิตภัณฑ์นี้ใช้การควบคุมวาล์วนำแบบอัตโนมัติ โดยไม่ต้องใช้อุปกรณ์หรือแหล่งพลังงานเพิ่มเติม ผลิตภัณฑ์นี้มีการบำรุงรักษาที่ง่ายดาย มีความแม่นยำในการควบคุมแรงดันสูง มีผลกระทบจากแรงดันขาเข้าและอัตราการไหลน้อยที่สุด และมีการลดแรงดันและการรักษาแรงดันที่เชื่อถือได้ชุดวาล์วนี้มีการใช้งานอย่างแพร่หลายในระบบเครือข่ายการจ่ายน้ำสำหรับอาคารสูง, พื้นที่อยู่อาศัย, และโครงการจ่ายน้ำประปาของเทศบาล.
หลักการการทำงาน
เมื่อมีการจ่ายน้ำเข้าสู่ตัววาล์วจากด้านทางเข้า น้ำจะไหลผ่านวาล์วเข็มเข้าสู่ห้องควบคุมหลักของวาล์วหลัก แรงดันที่ทางออกจะกระทำต่อวาล์วควบคุมผ่านท่อ เมื่อแรงดันที่ทางออกสูงกว่าค่าที่ตั้งไว้ของสปริงวาล์วควบคุม วาล์วควบคุมจะปิด การระบายน้ำออกจากห้องควบคุมจะหยุดลง ทำให้แรงดันภายในห้องควบคุมหลักเพิ่มขึ้นและปิดวาล์วหลัก ส่งผลให้แรงดันที่ทางออกหยุดเพิ่มขึ้นเมื่อความดันที่ทางออกลดลงถึงค่าความดันที่ตั้งไว้ของสปริงวาล์วไพล็อต วาล์วไพล็อตจะเปิด ทำให้ห้องควบคุมระบายออกทางปลายทาง เมื่อปริมาณการไหลออกของระบบวาล์วไพล็อตเกินปริมาณการไหลเข้าของวาล์วเข็ม ความดันในห้องควบคุมวาล์วหลักจะลดลง ความดันที่ทางเข้ามีผลให้วาล์วหลักเปิด เมื่ออยู่ในสภาวะคงที่ ปริมาณการไหลเข้าและไหลออกสู่ห้องควบคุมจะเท่ากัน การเปิดของวาล์วหลักคงที่ และความดันที่ทางออกจะคงที่ ความดันที่ทางออกถูกตั้งโดยการปรับสปริงวาล์วไพล็อต
ข้อมูลจำเพาะของสินค้า
รุ่นสินค้า | 200X-16Q |
วัสดุของตัววาล์ว | เหล็กหล่อเหนียว |
ความดันตามชื่อ | ≤1.6 เมกะปาสคาล |
สื่อที่ใช้ได้ | น้ำ เป็นต้น |
อุณหภูมิในการทำงาน | ≤80°C |
ขนาดอ้างอิงของผลิตภัณฑ์

บอร์ | L | D | วันที่ 1 | ดี2 | b | f | ซี-ดี |
DN40 | 215 | 150 | 110 | 88 | 18 | 3 | 4-18 |
DN50 | 215 | 165 | 125 | 102 | 18 | 3 | 4-18 |
DN65 | 230 | 185 | 145 | 122 | 18 | 3 | 4-18 |
DN80 | 255 | 200 | 160 | 138 | 20 | 3 | 8-18 |
DN100 | 290 | 220 | 180 | 158 | 20 | 3 | 8-18 |
DN125 | 285 | 250 | 210 | 188 | 22 | 3 | 8-18 |
DN150 | 365 | 285 | 240 | 212 | 22 | 3 | 8-22 |
DN200 | 430 | 340 | 295 | 268 | 24 | 3 | 12-22 |


















