Высокопроизводительный редукционный клапан HYQ - это продукт, который не требует внешней энергии и осуществляет автоматическую настройку за счет использования собственной энергии регулируемой среды. Самая большая особенность этого продукта, может работать в месте без электричества и газа, и в то же время экономить энергию, значение настройки давления может быть настроено по желанию в процессе эксплуатации. Используя быстрое открытие характеристики потока, чувствительное действие, хорошие характеристики уплотнения, и, таким образом, широко используется в нефтяной, химической, электроэнергетики, металлургии, пищевой, текстильной, машиностроения и строительства и т.д. Особенно промышленного оборудования для снижения давления газа, жидкости и пара среды, стабилизации давления (для после клапана регулирования), или сброса давления, стабилизации давления (для предварительного регулирования клапана) автоматического управления. Открывается, после чего происходит полный выброс; когда давление падает до заданного значения, клапан автоматически закрывается для обеспечения безопасной работы оборудования и трубопроводов.
Параметры продукта
Модель продукта | HYQ-16C |
Материал корпуса клапана | литая сталь |
Номинальное давление | ≤1.6Mpa |
Применяемая среда | Вода, пар, масло и т.д. |
Применяемая температура | ≤300°C |
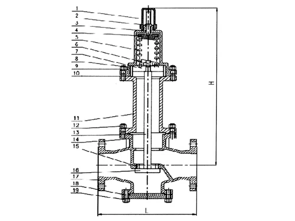
Справочник размеров изделий

проезжая часть | L |
DN20 | 160 |
DN25 | 180 |
DN32 | 200 |
DN40 | 220 |
DN50 | 250 |
DN65 | 260 |
DN80 | 310 |
DN100 | 350 |
DN125 | 400 |
DN150 | 450 |
DN200 | 500 |


















