Электрический высокопроизводительный поворотный клапан D972F подходит для использования в условиях высокочастотного открытия и закрытия. Обладая превосходными уплотнительными характеристиками, длительным сроком службы и изысканным внешним видом, он успешно заменяет традиционные поворотные затворы, шаровые краны, задвижки и т.д. во многих случаях. Используется в: среднетемпературной системе водоснабжения, сжатом воздухе, вакуумной системе, коррозийных материалах, олефиновых материалах. Электрический высокопроизводительный поворотный затвор имеет двойную эксцентриковую структуру, использует различные материалы, включая требования NACE и антиабразивные материалы. Клапан обладает надежной герметичностью, широкими рабочими условиями, низким рабочим моментом, длительным сроком службы, специальными рабочими условиями, безопасностью и противопожарными характеристиками. Широко используется в воде, газе, нефти и других обычных средах, а также в пищевой, медицинской и других промышленных средах, а также в коррозионных средах в химической промышленности.
Характеристики товара
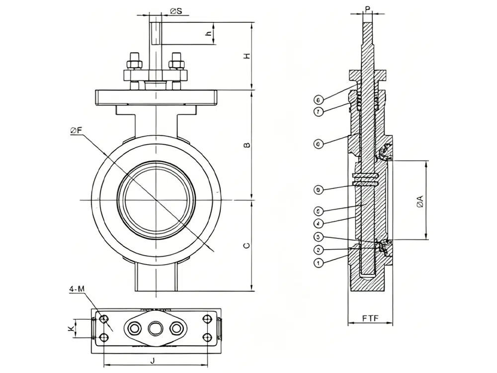
- Двойная эксцентриковая структура, шток клапана, пластина бабочки из двух эксцентриков, для достижения открытия клапана мгновенное уплотнение, которое отделяется, уменьшить потери на трение, улучшить срок службы. Двойная эксцентриковая пластина-бабочка с дуговой поверхностью седла клапана, коэффициент механического трения уплотнительной поверхности составляет всего 0,07, небольшой износ, открытие и закрытие легко и свободно, и эффективно продлить срок службы до 200 000 раз открытия и закрытия без сбоев, 2 миллиона раз без повреждения металла.
- “Круглое торцевое уплотнение ”Grooved":
- a: материал уплотнительного кольца: в соответствии с температурой среды и давлением, выберите, чтобы добавить стекловолокно или углеродное волокно (PTFE, RTFE, FPT), и т.д., чтобы достичь более высокой производительности.
- b:Эффективное использование деформации дугообразной поверхности уплотнительного кольца корпуса, тарелки клапана в закрытии, седло клапана сжимается следом деформации, для достижения эластичного уплотнения, равномерности давления и отсутствия утечки.
- c: Когда тарелка клапана закрыта, “C”-образная структура деформирует корпус, который может эффективно использовать давление прямой и обратной среды для достижения двунаправленного недискриминационного уплотнения.
- Осевая набивка V-образной конструкции с перекрытием подвергается осевому давлению сальниковой набивки для достижения самовозбуждающегося уплотнения и эффективного предотвращения утечки. Подходит для условий высокочастотного открытия и закрытия.
- Шпиндель клапана соединен с тарелкой клапана боковыми штифтами, что эффективно повышает прочность шпинделя (сопротивление сдвигу штока клапана).
- На обоих концах вала клапана имеются открытые позиционирующие кольца типа ступицы, эффективно предотвращающие открытие или закрытие тарелки клапана, вызванное движением вверх и вниз, которое непосредственно вызвано верхним ударом по приводу, чтобы не допустить утечки воздуха.
- Пластина-бабочка по краю хромируется, а затем на станках с ЧПУ обрабатывается и шлифуется электрополировкой и другими технологическими процедурами, отделка поверхности уплотнения достигает 11 (зеркальный уровень).
- Полость клапана с настройкой ограничения крутящего момента, чтобы предотвратить слишком большой крутящий момент привода или другие непредвиденные обстоятельства, в результате чего тарелка клапана закрывается сверху, что приводит к повреждению уплотнительного кольца и внутренним утечкам.
Области применения
Широко используется в золотодобывающей, химической, электроэнергетической, текстильной, пищевой, медицинской, бумажной и других отраслях промышленности, а также в коммунальном хозяйстве, гидротехнических сооружениях и других трубопроводах для водопроводной воды, сточных вод, нефтяных жидкостей или воздуха, газа, природного газа, водяного пара и других сред для перекрытия или регулирования давления, потока.
Параметры продукта
Модель продукта | D972F-16C |
Материал корпуса клапана | литая сталь |
Формы контроля | Тип переключения/регулирования |
Выбираемое напряжение | AC220V/AC380V/DC24V |
Номинальное давление | ≤1.6Mpa |
Применяемая среда | Вода, газ, нефть и т.д. |
Применяемая температура | ≤150°C |
Справочник размеров изделий

DN | Дюйм | ΦA | B | C | ΦF | FTF | H | h | P | ΦS | J | K | M |
40 | 1-1/2" | 38 | 82 | 70 | 102 | 44 | 42.5 | 14 | 7 | 10 | 125.4 | 22.4 | M10 |
50 | 2" | 50 | 82 | 70 | 102 | 44 | 42.5 | 14 | 7 | 10 | 125.4 | 22.4 | M10 |
65 | 2-1/2" | 59 | 111 | 82 | 118 | 48 | 82 | 27 | 11.2 | 14.8 | 125.4 | 22.4 | M10 |
80 | 3" | 73 | 120 | 93 | 132 | 48 | 82 | 27 | 11.2 | 14.8 | 125.4 | 22.4 | M10 |
100 | 4" | 96 | 133 | 110 | 157 | 54 | 82 | 27 | 11.2 | 14.8 | 125.4 | 22.4 | M10 |
125 | 5" | 111 | 135 | 120 | 186 | 57 | 82 | 27 | 11.2 | 14.8 | 125.4 | 22.4 | M10 |
150 | 6" | 142 | 152 | 135 | 217 | 57 | 82 | 27 | 14 | 18 | 125.4 | 22.4 | M10 |
200 | 8" | 188 | 187 | 172 | 273 | 64 | 82 | 27 | 15.9 | 21.9 | 125.4 | 22.4 | M10 |
250 | 10" | 236 | 231 | 202 | 330 | 71 | 97 | 28 | 20.6 | 28 | 142.7 | 37.3 | M12 |





















