Válvula de controle manual T40F-16: adequada para pressão de trabalho ≤ 1,6 MPa, temperatura média ≤ 100 ℃ para tubulação de água ou água quente como controle de fluxo. A rotação do volante no sentido horário para fechar a válvula de controle manual, a haste da válvula aciona a aba da válvula para baixo, até que as duas superfícies cônicas de vedação entrem em contato para obter um fechamento firme da tubulação.
Recursos do produto
- Melhoria das condições de aquecimento: quando o uso da válvula de controle manual da linha de ramificação e dos pontos de aquecimento pode ser projetado de acordo com as condições de regulagem do fluxo, para obter boas condições de temperatura, essa válvula de controle é melhor do que a válvula de gaveta, o desempenho de regulagem da válvula globo é bom e tem um desempenho de regulagem de linha reta aproximado. Portanto, os edifícios de aquecimento do fenômeno de aquecimento e resfriamento irregulares foram muito melhorados.
- Economia de energia: a rede de tubulação de calor, devido ao desequilíbrio entre temperatura e pressão, causa fluxo excessivo em algumas ramificações, fazendo com que alguns prédios fiquem muito quentes e os usuários tenham que abrir as janelas, economizando energia.
- Melhoria das condições hidráulicas da tubulação da rede: a válvula de ajuste manual pode ser controlada de acordo com a taxa de vazão nominal, o excesso de tubulação da rede para reduzir a taxa de vazão, de modo que o grau original de deterioração da condição da água tenha melhorado um pouco.
Parâmetro do produto
Modelo do produto | T40F-16 |
Material do corpo da válvula | ferro fundido cinzento |
Pressão nominal | ≤1,6Mpa |
Mídia aplicável | água e assim por diante |
Temperatura aplicável | ≤100°C |
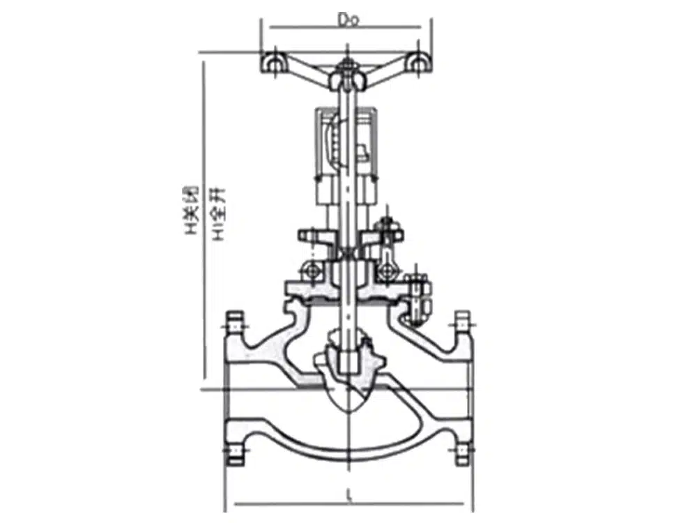
Referência de tamanho do produto

uma via pública | L |
DN25 | 160 |
DN32 | 180 |
DN40 | 200 |
DN50 | 230 |
DN65 | 290 |
DN80 | 310 |
DN100 | 350 |
DN125 | 400 |
DN150 | 480 |
DN200 | 600 |


















