Q84F-10P санитарлық үш жоллы шар клапаны L-түріндегі үш жоллы конфигурацияны қолданады және негізінен құбыр желісіндегі ағынды бағыттау мен таратуға қызмет етеді. Оның толық жабық тығыздау сақинасының дизайны саңылаулар мен өлі кеңістіктерді жояды, ал PTFE тығыздау материалы тамаша тығыздау өнімділігін қамтамасыз етеді. Үш ұшында ыңғайлы бөлшектеу, тазалау және техникалық қызмет көрсету үшін клеммді қосылыстар бар. Көмір химиясы, мұнай химиясы, резеңке, қағаз жасау және фармацевтика салаларында кеңінен қолданылады.
Өнімнің сипаттамалары
- Ол төмен сұйықтық кедергісін көрсетеді, кедергі коэффициенті сол ұзындықтағы құбыр бөлігінікімен тең.
- Құрылымы қарапайым, көлемі ықшам және салмағы жеңіл.
- Мөрлеу материалы политетрафторетіленді пайдаланады, бұл тамаша мөрлеу қасиеттерін қамтамасыз етеді.
- Үш ұшында бөлшектеуді, тазалауды және техникалық қызмет көрсетуді жеңілдету үшін қысқыш қосылыстары бар.
Өнімнің сипаттамалары
Өнім моделі | Q84F-10P |
Валв корпусының материалы | 304 тот баспайтын болат |
Таралу түрі | L-тәрізді |
Номиналды қысым | ≤1,0 МПа |
Қолданылатын орта | су, газ, мұнай өнімдері және т.б. |
Жұмыс температурасы | ≤120°C |
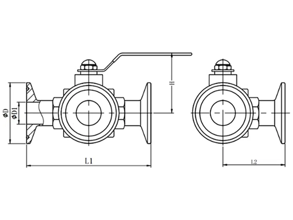
Өнім өлшемдеріне сілтеме

Құбырдың сыртқы диаметрі | D | 1-күн | L1 | L2 | H |
Ф19 | 50.5 | 16 | 106 | 60 | 58 |
Ф25 | 50.5 | 22.4 | 126 | 61 | 62 |
Ф32 | 50.5 | 28.8 | 137 | 68 | 71 |
Ф38 | 50.5 | 35.1 | 154.5 | 76.2 | 81 |
Ф45 | 64 | 41.7 | 165.5 | 81 | 90 |
Ф51 | 64 | 47.8 | 168 | 83.4 | 90 |
Ф57 | 77.5 | 53 | 171 | 86 | 103 |
Ф63 | 77.5 | 59.5 | 185 | 94.5 | 103 |
Ф76 | 91 | 72.2 | 220 | 122 | 110 |
Ф89 | 106 | 85 | 240 | 134.5 | 118 |
Ф102 | 119 | 97.6 | 266 | 151 | 130 |
Т-тәрізді және L-тәрізді шарлар


Орнату сызбасы
















