H11T-16 көтеру тексеру клапаны, сондай-ақ кері ағымды болдырмайтын клапан немесе бір жақты клапан деп те аталады, диск клапан корпусының орталық осі бойымен тігінен қозғалатын тексеру клапанының бір түрі. Оның негізгі мақсаты құбыр ішіндегі ортаның кері ағуының алдын алу. Көтерілетін тексеру клапаны құбырдағы ортаның табиғи ағынына сүйене отырып, клапан дискісін ашық немесе жабық күйде ұстап тұрады.
Өнімнің сипаттамалары
- Көтерілу тексеру клапандары сұйықтыққа қарсы жоғары төзімділік көрсетеді және кіші диаметрлі қосымшаларға жарамды.
- Тек көлденең орнатылған құбырларға ғана жарамды.
- Клапан дискісінің ашылу және жабылу уақыты қысқа және ол сенімді түрде жұмыс істейді.
Өнімнің сипаттамалары
Өнім моделі | H11T-16 |
Валв корпусының материалы | чугун |
Номиналды қысым | ≤1,6 МПа |
Қолданылатын орта | су, газ, мұнай өнімдері және т.б. |
Жұмыс температурасы | ≤120°C |
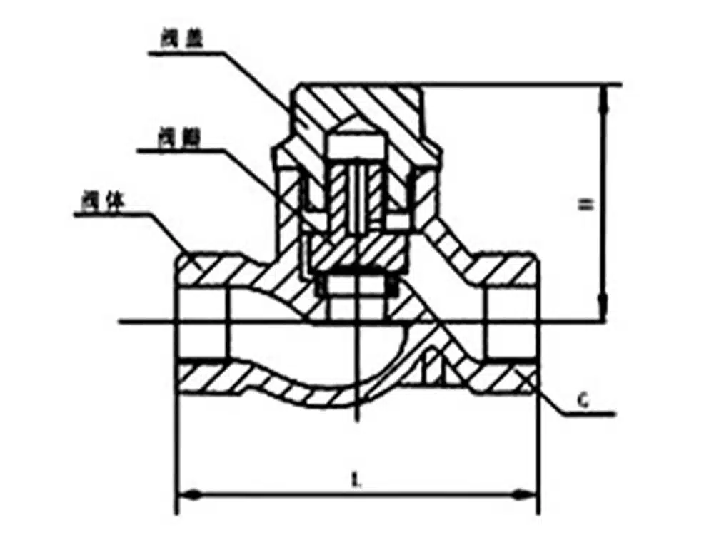
Өнім өлшемдеріне сілтеме

Бор | L | H |
DN15 | 87 | 55 |
DN20 | 98 | 57 |
DN25 | 120 | 63 |
DN32 | 139 | 73 |
DN40 | 168 | 83 |
DN50 | 200 | 90 |


















