Z81T-16Q қорғаныштық мыс жүректі қатты тығыздаушы ойықты көтерілетін штокті клапан Клапан корпусы QT450 маркалы дуктульді темірден жасалған, тығыздау беті мыс қорытпасымен қапталған. Су және май негізіндегі ортаны тасымалдайтын құбыржолдарды жабу үшін арналған бұл клапан кәріз, газ, энергетика, мұнай, жеңіл өнеркәсіп, металлургия, химия және қала құрылысы салаларында кеңінен қолданылады.
Өнімнің сипаттамалары
- Ықшам құрылымы мен жақсы жобаланған конструкциясы клапанның жоғары қаттылығын, кедергісіз ағын жолдарын және төмен ағын қарсылығы коэффициентін қамтамасыз етеді.
- Мөрлеу беті мыс қорытпасынан жасалған, бұл ұзақ қызмет ету мерзімін қамтамасыз етеді.
- Бұл клапан икемді графит тығыздағышты қолданады, сенімді тығыздауды қамтамасыз етеді және жеңіл, икемді жұмыс істеуін ұсынады.
Өнімнің сипаттамалары
Өнім моделі | Z81T-16Q |
Валв корпусының материалы | Сұйықталғыш темір |
Дисктің материалдары | Чугундегі қаптамалық дәнекерлеу мыспен |
Номиналды қысым | ≤1,6 МПа |
Қолданылатын орта | су және т.б. |
Жұмыс температурасы | ≤80°C |
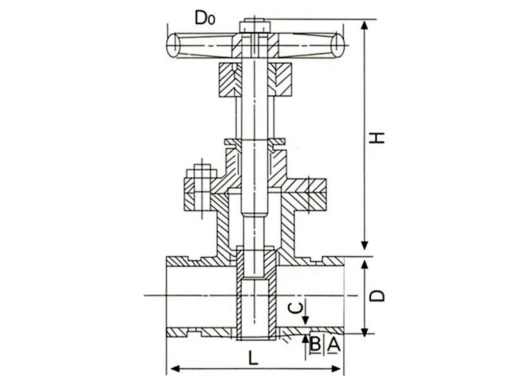
Өнім өлшемдеріне сілтеме

Бор | L | H |
DN65 | 162 | 320 |
DN80 | 170 | 375 |
DN100 | 180 | 405 |
DN125 | 202 | 496 |
DN150 | 228 | 515 |
DN200 | 252 | 705 |














