Katup bola flensa pneumatik adalah kombinasi dari badan katup bola flensa dan aktuator pneumatik AT, aksesori pneumatik pendukung dapat mencapai kontrol cerdas, mudah untuk dengan cepat membuka atau menutup pipa, dapat secara efektif mengontrol jaringan pipa dan manajemen jarak jauh. Rangkaian katup bola pneumatik ini memiliki karakteristik ketahanan fluida kecil, struktur sederhana, volume kecil, ringan, kencang dan andal, mudah dioperasikan, buka dan tutup dengan cepat, perawatan mudah. Terutama digunakan untuk memotong atau menghubungkan media dalam pipa, juga dapat digunakan untuk pengaturan dan kontrol cairan. Cocok untuk media air, uap, minyak dan asam dan alkali dan media lainnya.
Parameter Produk
Model Produk | Q641F-16C |
Bahan badan katup | baja tuang |
Bahan silinder | aluminium |
Jenis silinder | DI akting ganda |
Tekanan nominal | ≤1.6Mpa |
Media yang berlaku | Air, uap, minyak, dll. |
Suhu yang berlaku | ≤150°C |
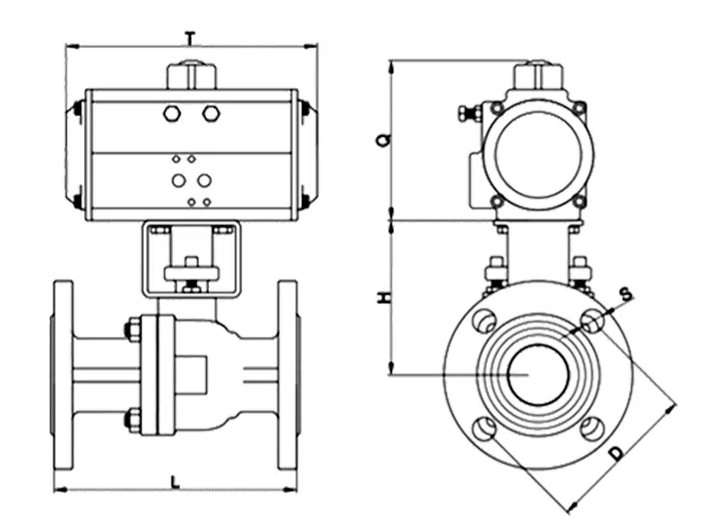
Referensi Ukuran Produk

jalan raya | L | T | D | H | Q | S |
DN15 | 130 | 147 | 65 | 106 | 98 | 4-14 |
DN20 | 140 | 147 | 75 | 111 | 98 | 4-14 |
DN25 | 150 | 170 | 85 | 122 | 116 | 4-14 |
DN32 | 165 | 184 | 100 | 129 | 128 | 4-18 |
DN40 | 180 | 211 | 110 | 138 | 136 | 4-18 |
DN50 | 200 | 211 | 125 | 154 | 136 | 4-18 |
DN65 | 220 | 265 | 145 | 164 | 146 | 4-18 |
DN80 | 250 | 275 | 160 | 193 | 153 | 8-18 |
DN100 | 280 | 305 | 180 | 203 | 175 | 8-18 |
DN125 | 320 | 390 | 210 | 233 | 192 | 8-18 |
DN150 | 360 | 458 | 240 | 251 | 217 | 8-22 |
DN200 | 400 | 525 | 295 | 322 | 260 | 12-22 |


















