ZCS series is suitable for water or liquid as the working medium, can be automatically controlled or remote control of water, oil and liquid and other working media pipeline on and off. Because this valve adopts rubber sealing, so the cleanliness of the working medium is greatly reduced, with rapid opening and closing, can have the advantages of rapid opening and closing, high reliability. Widely used in water supply and drainage, air conditioning, HVAC, metallurgical mining and other fields.
Caveat
- Keep the solenoid tube diameter mounted horizontally and the coil mounted vertically.
- Outlet piping with backflow requires a check valve.
- The medium must be clean and non-corrosive (water, compressed air can be passed through).
- This coil is not suitable for outdoor use, if you need outdoor use, please choose outdoor waterproof coil.
- It is recommended to energize the coil within 1 hour at a time, if you need to energize the coil for a long time, please choose the coil with energy-saving module.
Product Parameters
Product Model | ZCS Series |
Valve body material | 304 Stainless Steel |
Forms of control | Normally Open/Normally Closed |
Selectable Voltage | AC220V/DC24V |
work pressure | 0.2~0.8Mpa |
Applicable medium | Air, Water Purification, etc. |
Applicable temperature | ≤80°C |
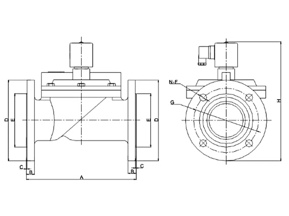
Product Size Reference

model number | Nominal Diameter | A | B | C | D | E | N-F | G | H |
ZCS-15 | DN15 | 103 | 14 | 2 | 100 | 45 | 4-14 | 65 | / |
ZCS-20 | DN20 | 105 | 14 | 2 | 110 | 55 | 4-14 | 75 | / |
ZCS-25 | DN25 | 135 | 14 | 2 | 120 | 65 | 4-14 | 85 | 130 |
ZCS-32 | DN32 | 146 | 16 | 2 | 140 | 78 | 4-18 | 100 | 137 |
ZCS-40 | DN40 | 150 | 16 | 3 | 150 | 85 | 4-18 | 110 | 152 |
ZCS-50 | DN50 | 170 | 16 | 3 | 165 | 100 | 4-18 | 125 | 152 |
ZCS-65 | DN65 | 225 | 18 | 3 | 185 | 120 | 4-18 | 145 | 222 |
ZCS-80 | DN80 | 258 | 20 | 3 | 200 | 135 | 8-18 | 160 | 239 |
ZCS-100 | DN100 | 320 | 20 | 3 | 220 | 155 | 8-18 | 180 | 255 |
ZCS-125 | DN125 | 400 | 22 | 3 | 250 | 185 | 8-18 | 210 | 416 |
ZCS-150 | DN150 | 480 | 24 | 3 | 285 | 210 | 8-22 | 240 | 440 |
ZCS-200 | DN200 | 600 | 26 | 3 | 340 | 265 | 8-22 | 295 | 443 |














