Van bướm có tay cầm D41X-16Q là loại van sử dụng bộ phận đóng mở dạng đĩa quay lặp lại khoảng 90° để mở, đóng và điều chỉnh dòng chảy của chất lỏng. Van có thiết kế mới lạ, cấu trúc đơn giản, kích thước nhỏ, trọng lượng nhẹ, kích thước lắp đặt nhỏ, đóng mở nhanh chóng. Van được sử dụng rộng rãi trong các ngành thực phẩm, dược phẩm, hóa chất, dầu mỏ, điện lực, luyện kim, xây dựng đô thị, dệt may, giấy... để điều chỉnh lưu lượng và ngăn chặn môi chất trong các đường ống cấp thoát nước, đường ống khí.
Thông số kỹ thuật sản phẩm
Mẫu sản phẩm | D41X-16Q |
Vật liệu thân van | Gang cầu |
Vật liệu van | Gang cầu/Thép không gỉ 304 |
Chất liệu lót cao su | EPDM |
Áp suất danh nghĩa | ≤1,6 MPa |
Phương tiện áp dụng | Nước, khí, dầu mỏ, v.v. |
Nhiệt độ thích hợp | ≤80℃ |
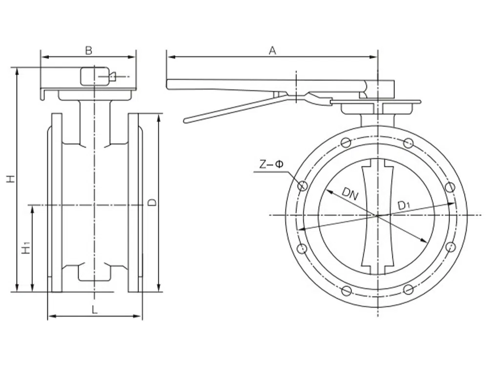
Tham khảo kích thước sản phẩm

DN | L | D | D1 | H | H1 | A | B | Z-Ф |
40 | 106 | 145 | 110 | 220 | 68 | 240 | 98 | 4-18 |
50 | 108 | 160 | 125 | 235 | 68 | 240 | 98 | 4-18 |
65 | 112 | 180 | 145 | 250 | 75 | 240 | 98 | 4-18 |
80 | 114 | 195 | 160 | 275 | 85 | 240 | 98 | 8-18 |
100 | 127 | 215 | 180 | 315 | 105 | 270 | 108 | 8-18 |
125 | 140 | 245 | 210 | 340 | 120 | 320 | 108 | 8-18 |
150 | 140 | 280 | 240 | 375 | 135 | 320 | 108 | 8-23 |
200 | 152 | 335 | 295 | 470 | 165 | 365 | 155 | 12-23 |














