Van đóng cắt bằng thép không gỉ J41W-16P có bộ phận đóng mở là đĩa van hình trụ, bề mặt làm kín có thể là mặt phẳng hoặc mặt côn, đĩa van di chuyển theo đường thẳng dọc theo trục dòng chảy. Van đóng cắt J41W-16P chỉ thích hợp cho việc mở hoàn toàn hoặc đóng hoàn toàn, thông thường không dùng để điều chỉnh lưu lượng. Khi đặt hàng theo yêu cầu, có thể điều chỉnh và tiết lưu.
Đặc điểm sản phẩm
- Cấu trúc đơn giản, dễ sản xuất và bảo trì.
- Quãng đường làm việc ngắn, thời gian đóng mở ngắn.
- Độ kín tốt, ma sát giữa các bề mặt kín nhỏ, tuổi thọ cao.
Thông số kỹ thuật sản phẩm
Mẫu sản phẩm | J41W-16P |
Vật liệu thân van | Thép không gỉ 304 |
Áp suất danh nghĩa | ≤1,6 MPa |
Phương tiện áp dụng | Nước, hơi nước, dầu mỏ, v.v. |
Nhiệt độ thích hợp | ≤150℃ |
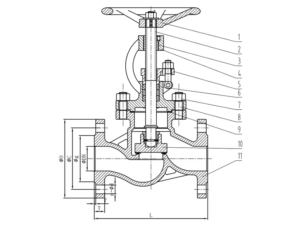
Tham khảo kích thước sản phẩm

đường kính | L | O | C | g | T | f | n-φd |
DN15 | 130 | 95 | 65 | 45 | 14 | 2 | 4-14 |
DN20 | 150 | 105 | 75 | 55 | 14 | 2 | 4-14 |
DN25 | 160 | 115 | 85 | 65 | 14 | 2 | 4-14 |
DN32 | 180 | 135 | 100 | 78 | 16 | 2 | 4-18 |
DN40 | 200 | 145 | 110 | 85 | 16 | 3 | 4-18 |
DN50 | 230 | 160 | 125 | 100 | 16 | 3 | 4-18 |
DN65 | 290 | 180 | 145 | 120 | 18 | 3 | 4-18 |
DN80 | 310 | 195 | 160 | 135 | 20 | 3 | 8-18 |
DN100 | 350 | 215 | 180 | 155 | 20 | 3 | 8-18 |
DN125 | 400 | 245 | 210 | 185 | 22 | 3 | 8-18 |
DN150 | 480 | 280 | 240 | 210 | 24 | 3 | 8-23 |
DN200 | 600 | 335 | 295 | 265 | 26 | 3 | 12-23 |
DN250 | 650 | 405 | 355 | 320 | 26 | 3 | 12-26 |
DN300 | 750 | 460 | 410 | 355 | 28 | 3 | 12-26 |


















