D673H/W pnömatik üç eksantrik sert contalı kelebek vana, pnömatik aktüatör ve üç eksantrik sert contalı kelebek vanadan oluşur. Pnömatik üç eksantrik sert contalı kelebek vana, iki yönlü sızdırmazlık işlevine, küçük açma torkuna, esnek ve kullanışlı, enerji tasarrufuna sahiptir; üç boyutlu eksantrik yapı, böylece kelebek plaka ne kadar sıkı kapanırsa, sızdırmazlık performansı güvenilirdir, sızıntı olmaz; valf plakasının ve valf yuvasının açılıp kapanmasında temelde sürtünme yoktur, valf yuvası sızdırmazlık yüzeyinin aşınmasını ve yıpranmasını azaltır, kelebek vananın hizmet ömrünü uzatır. Koltuk contası metal sert conta yapısını benimser, sıcaklık direnci yumuşak contalı kelebek vanadan çok daha yüksektir, yüksek sıcaklıktaki ortamlar için kullanılabilir. Pnömatik aktüatör tahrikli kelebek vana hızlı bir şekilde geçiş yapar, hızlı kesme için kullanılabilir. Solenoid valf, seyahat anahtarı aksesuarları, uygun uzaktan kumanda ile donatılmıştır. Oransal ayar kontrolü gerektiğinde elektrikli valf konumlandırıcı donatılmalıdır.
Ürün Özellikleri
- Kelebek vana üç eksantrik yapıya sahiptir, anahtarlama sızdırmazlık yüzeyi aşınması küçüktür, uzun servis ömrü.
- Metal sert conta yapısı, yüksek sıcaklıktaki ortamlar için kullanılabilir.
- Kelepçeli bağlantı, hafiflik, kısa yapı uzunluğu, kurulum alanından tasarruf.
- Sızdırmazlığı iyileştirmek ve ortam sızdırmazlığını etkili bir şekilde sağlamak için uygulanan tork artırılabilir.
- Pnömatik aktüatör tahrik geçişi hızlıdır ve hızlı kesme için kullanılabilir.
- Solenoid valf, hareket anahtarı, uygun uzaktan otomatik kontrol ile donatılabilir.
- Büyük boyutlu kelebek plaka, yüksek mukavemetli, geniş taşma alanına ve küçük akış direncine sahip kapitone çerçeve yapısını benimser.
- Üç eksantrik sert contalı kelebek vana, yüksek sıcaklığa, düşük sıcaklığa ve korozyona karşı dayanıklıdır.
Uygulama alanları
Altın, elektrik enerjisi, petrokimya ve su temini ve drenaj ve belediye inşaatı ve diğer endüstriyel boru hatlarında, akışkan kullanımının akışını ve taşıyıcısını düzenlemek için yaygın olarak kullanılır.
Ürün Parametresi
Ürün Modeli | D673W-16P |
Valf gövde malzemesi | 304 paslanmaz çelik |
Silindir malzemesi | alüminyum |
Silindir tipi | AT çift etkili |
Nominal basınç | ≤1,6Mpa |
Uygulanabilir ortam | Su, buhar, yağ vb. |
Uygulanabilir sıcaklık | ≤325°C |
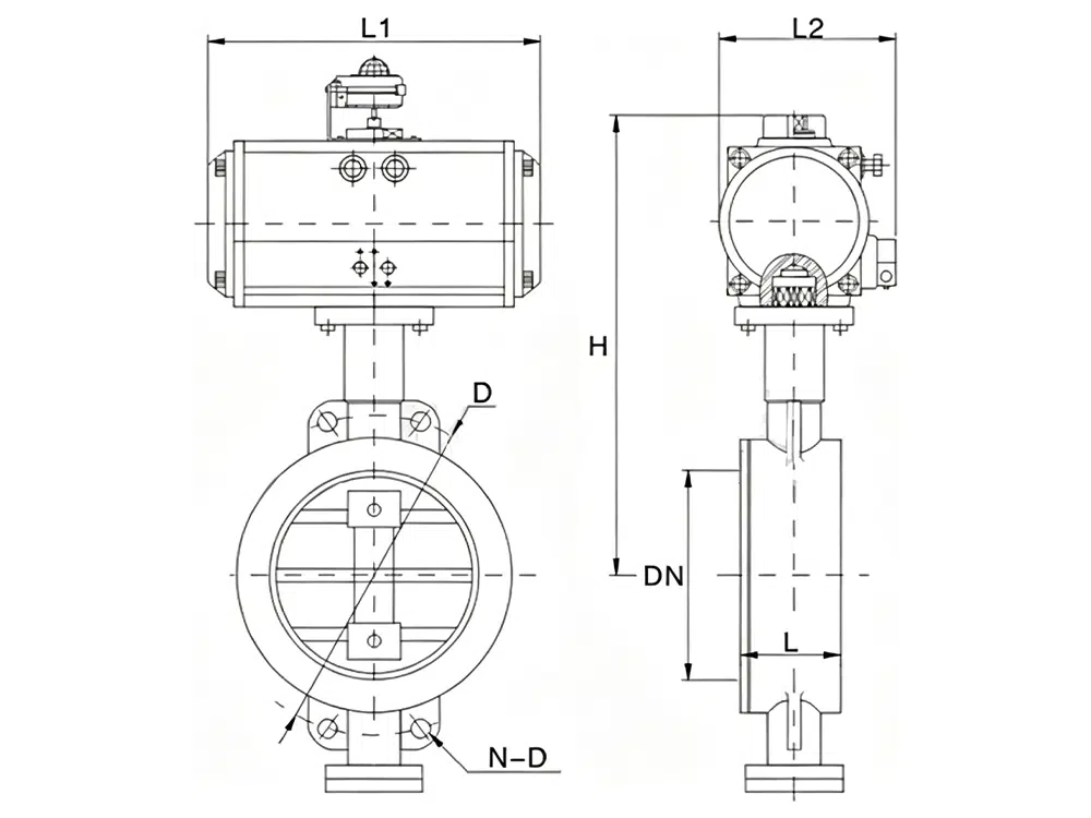
Ürün Boyut Referansı

bir cadde | L | L1 | L2 | H | D | N-D |
DN50 | 43 | 159 | 83 | 277 | 125 | 4-18 |
DN65 | 46 | 211 | 95 | 287 | 145 | 4-18 |
DN80 | 49 | 248 | 107 | 365 | 160 | 8-18 |
DN100 | 56 | 269 | 123 | 420 | 180 | 8-18 |
DN125 | 64 | 315 | 141 | 436 | 210 | 8-18 |
DN150 | 70 | 345 | 152 | 593 | 240 | 8-22 |
DN200 | 71 | 409 | 172 | 682 | 295 | 12-22 |
DN250 | 76 | 436 | 187 | 725 | 355 | 12-26 |
DN300 | 83 | 550 | 215 | 832 | 410 | 12-26 |
DN350 | 92 | 600 | 240 | 862 | 470 | 16-26 |
DN400 | 102 | 633 | 262 | 600 | 525 | 16-30 |












