D972F elektrikli yüksek performanslı kelebek vana, yüksek frekanslı açma ve kapama koşullarında kullanım için uygundur. Mükemmel sızdırmazlık performansı, uzun hizmet ömrü ve zarif görünümü ile birçok durumda geleneksel kelebek vanaların, küresel vanaların, sürgülü vanaların vb. yerini başarıyla almıştır. Kullanıldığı yerler: orta sıcaklıkta su sistemi, basınçlı hava, vakum sistemi, aşındırıcı malzemeler, olefin malzemeler. Elektrikli yüksek performanslı kelebek vana, NACE gereksinimleri ve aşınma önleyici dahil olmak üzere çeşitli malzemeler kullanarak çift eksantrik yapıyı benimser. Vana, güvenilir sızdırmazlık performansına, geniş çalışma koşullarına, düşük çalışma torkuna, uzun hizmet ömrüne, özel çalışma koşullarına, güvenlik ve yangın önleme performansına sahiptir. Su, gaz, yağ ve diğer yaygın ortamlarda ve gıda, ilaç ve diğer endüstriyel ortamların yanı sıra kimya endüstrisindeki aşındırıcı ortamlarda yaygın olarak kullanılır.
Ürün Özellikleri
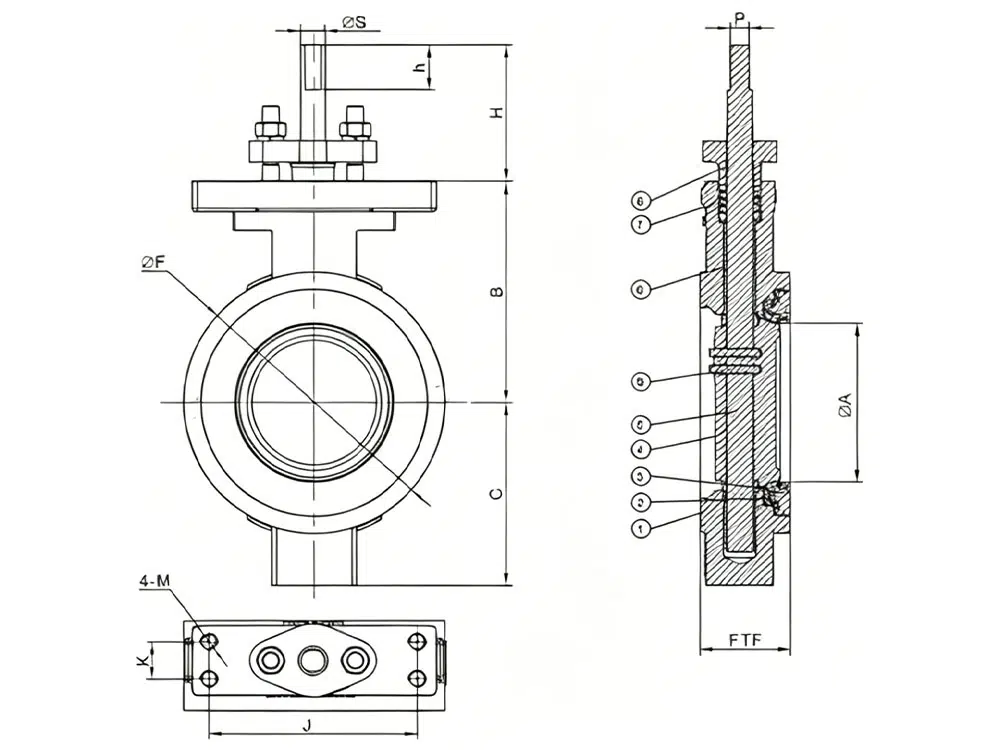
- Çift eksantrik yapı, valf gövdesi, iki eksantrik kelebek plakası, ayrılan valf açık anında sızdırmazlık sağlamak, sürtünme kaybını azaltmak, servis ömrünü uzatmak için. Ark yüzeyli valf yuvasına sahip çift eksantrik kelebek plaka, sızdırmazlık yüzeyinin mekanik sürtünme katsayısı sadece 0,07'dir, küçük aşınma ve yıpranma, kolayca ve serbestçe açılıp kapanır ve hizmet ömrünü etkili bir şekilde 200.000 kata kadar uzatır. arızasız açma ve kapama, metal hasarı olmadan 2 milyon kez.
- “Yivli” dairesel yüzeyli conta:
- a: sızdırmazlık halkası malzemesi: orta sıcaklık ve basınca göre, daha yüksek performans elde etmek için cam elyafı veya karbon elyafı (PTFE, RTFE, FPT) vb. eklemeyi seçin.
- b:Gövdenin “oluk” şeklindeki yay yüzeyi sızdırmazlık halkası deformasyonunun etkili kullanımı, kapanıştaki valf plakası, valf yuvası, elastik sızdırmazlık, basınç homojenliği ve sızıntı olmaması için bir deformasyon izi ile sıkıştırılır.
- c: Valf plakası kapatıldığında, “C” şeklindeki yapı gövdeyi deforme eder, bu da çift yönlü ayrımcı olmayan sızdırmazlık sağlamak için ileri ve geri ortamın basıncını etkili bir şekilde kullanabilir.
- V şeklindeki üst üste binen tasarımın eksenel salmastrası, kendinden heyecanlı sızdırmazlık sağlamak ve sızıntıyı etkili bir şekilde önlemek için salmastra bileziğinin eksenel basıncına maruz kalır. Yüksek frekanslı açma ve kapama eylem koşulları için uygundur.
- Valf mili, valf plakasına yan pimlerle bağlanır, bu da milin mukavemetini etkili bir şekilde artırır (valf sapının kayma direnci).
- Vana milinin her iki ucunda, doğrudan aktüatör üzerindeki üst darbenin neden olduğu yukarı ve aşağı hareketin neden olduğu vana milinin açılmasını veya kapanmasını etkili bir şekilde önleyen geçici tekerlek göbeği tipi açık konumlandırma halkaları vardır, böylece hava kaçağı olgusu.
- Krom kaplama işleminin kenarı etrafındaki kelebek plaka ve ardından CNC takım tezgahı işleme ve taşlama elektro-parlatma ve diğer işleme prosedürleri ile sızdırmazlık yüzey kalitesi 11'e (ayna seviyesi) ulaşır.
- Aktüatör torkunun çok büyük olmasını veya diğer beklenmedik durumları önlemek için aşırı tork sınır ayarına sahip valf boşluğu, valf plakasının üstten kapanmasına neden olarak conta halkasına ve iç sızıntı olayına zarar verir.
Uygulama alanları
Altın, kimya, elektrik enerjisi, tekstil, gıda, ilaç, kağıt ve diğer endüstriyel sektörler ve belediye mühendisliği, su işleri ve musluk suyu, kanalizasyon, petrol sıvıları veya hava, gaz, doğal gaz, su buharı ve diğer ortamlar için diğer boru hatları ile yaygın olarak kullanılır. basınç, akış kontrolü.
Ürün Parametresi
Ürün Modeli | D972F-16P |
Valf gövde malzemesi | 304 paslanmaz çelik |
Kontrol biçimleri | Anahtarlama/regülasyon tipi |
Seçilebilir Voltaj | AC220V/AC380V/DC24V |
Nominal basınç | ≤1,6Mpa |
Uygulanabilir ortam | Su, gaz, petrol, vb. |
Uygulanabilir sıcaklık | ≤150°C |
Ürün Boyut Referansı

DN | İnç | ΦA | B | C | ΦF | FTF | H | h | P | ΦS | J | K | M |
40 | 1-1/2" | 38 | 82 | 70 | 102 | 44 | 42.5 | 14 | 7 | 10 | 125.4 | 22.4 | M10 |
50 | 2" | 50 | 82 | 70 | 102 | 44 | 42.5 | 14 | 7 | 10 | 125.4 | 22.4 | M10 |
65 | 2-1/2" | 59 | 111 | 82 | 118 | 48 | 82 | 27 | 11.2 | 14.8 | 125.4 | 22.4 | M10 |
80 | 3" | 73 | 120 | 93 | 132 | 48 | 82 | 27 | 11.2 | 14.8 | 125.4 | 22.4 | M10 |
100 | 4" | 96 | 133 | 110 | 157 | 54 | 82 | 27 | 11.2 | 14.8 | 125.4 | 22.4 | M10 |
125 | 5" | 111 | 135 | 120 | 186 | 57 | 82 | 27 | 11.2 | 14.8 | 125.4 | 22.4 | M10 |
150 | 6" | 142 | 152 | 135 | 217 | 57 | 82 | 27 | 14 | 18 | 125.4 | 22.4 | M10 |
200 | 8" | 188 | 187 | 172 | 273 | 64 | 82 | 27 | 15.9 | 21.9 | 125.4 | 22.4 | M10 |
250 | 10" | 236 | 231 | 202 | 330 | 71 | 97 | 28 | 20.6 | 28 | 142.7 | 37.3 | M12 |





















