Американский стандартный фланцевый шаровой кран работает путем вращения золотника, чтобы сделать клапан беспрепятственным или закрытым. Переключатель шарового крана легкий, небольшого размера, может быть изготовлен в очень большом калибре, надежное уплотнение, простая структура, простое обслуживание, уплотнительная поверхность и поверхность шара часто находится в закрытом состоянии, не легко быть размытым средой, в различных отраслях промышленности широко используются. Двухсекционный фланцевый шаровой кран имеет свои уникальные преимущества, такие как переключение без трения, уплотнение не легко изнашивается, момент открытия и закрытия мал, так что вы можете уменьшить спецификации установленного привода. Широко используется в нефтехимическом городе водоснабжения и дренажа требования строгих условий работы.
Принцип работы
Американский стандарт фланцевого шарового крана закрывающий член представляет собой шар с отверстием (или часть шара), шар с штоком вращения, чтобы достичь клапан открыть или закрыть. Шаровой кран в трубопроводе в основном используется для отсечения, распределения и изменения направления потока среды. Фланцевый шаровой кран шар плавающий, под действием давления среды, шар производит определенное смещение и плотно прижимается к уплотнительной поверхности выходного конца, чтобы обеспечить герметичность выходного конца. В различных клапанах сопротивление потоку шарового крана невелико, шаровой кран открыт, канал шара, канал корпуса клапана и диаметр соединительной трубы равны и равны по диаметру, среда может протекать практически без потерь.
Характеристики продукта
- Легко монтируется, может быть установлен в любом направлении в любой части трубопровода.
- Высококачественный материал уплотнительного кольца обладает такими характеристиками, как высокая температура, высокое давление и коррозионная стойкость.
- Каналы в корпусе клапана плоские и гладкие, они могут транспортировать вязкие жидкости, суспензии и твердые частицы.
- Широко используется для воды, пара, масла, азотной кислоты, уксусной кислоты, окислительных сред, мочевины и других сред.
Параметры продукта
Модель продукта | Q41F-150LBP |
Материал корпуса клапана | 304 нержавеющая сталь |
Номинальное давление | Класс 150LB |
Применяемая среда | Вода, пар, масло и т.д. |
Применяемая температура | ≤150°C |
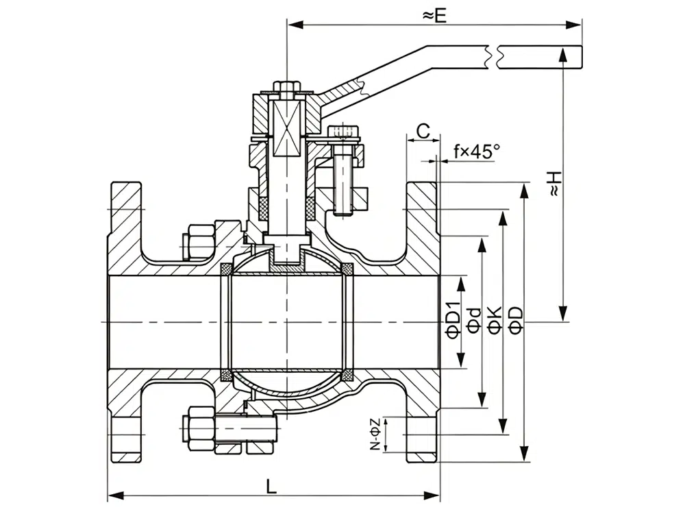
Справочник размеров изделий

NPS | D1 | d | K | D | f | C | N-Z | L | H | E |
1/2" | 15 | 34.9 | 60.3 | 90 | 2 | 10.0 | 4-16 | 108 | 79 | 125 |
3/4" | 20 | 42.9 | 69.9 | 100 | 2 | 10.9 | 4-16 | 117 | 82 | 125 |
1" | 25 | 50.8 | 79.4 | 110 | 2 | 11.6 | 4-16 | 127 | 102 | 155 |
1-1/4" | 32 | 63.5 | 88.9 | 115 | 2 | 13.2 | 4-16 | 140 | 106 | 155 |
1-1/2" | 38 | 73.0 | 98.4 | 125 | 2 | 14.7 | 4-16 | 165 | 128 | 240 |
2" | 50 | 92.1 | 120.7 | 150 | 2 | 16.3 | 4-19 | 178 | 135 | 240 |
2-1/2" | 65 | 104.8 | 139.7 | 180 | 2 | 17.9 | 4-19 | 190 | 145 | 280 |
3" | 78 | 127.0 | 152.4 | 190 | 2 | 19.5 | 4-19 | 203 | 160 | 320 |
4" | 98 | 157..2 | 190.5 | 230 | 2 | 24.3 | 8-19 | 229 | 180 | 320 |
5" | 123 | 185.7 | 215.9 | 255 | 2 | 24.3 | 8-22 | 356 | 252 | 530 |
6" | 148 | 215.9 | 241.3 | 280 | 2 | 25.9 | 8-22 | 394 | 285 | 630 |
8" | 198 | 269.9 | 298.5 | 345 | 2 | 29.0 | 8-22 | 457 | 385 | 800 |
10" | 248 | 323.8 | 362.0 | 405 | 2 | 30.6 | 12-25 | 533 | 485 | / |
12" | 298 | 381.0 | 431.8 | 485 | 2 | 32.2 | 12-25 | 610 | 545 | / |
14" | 348 | 412.8 | 476.3 | 535 | 2 | 35.4 | 12-29 | 686 | 635 | / |
















