J41B аммиачный шаровой клапан имеет стабильную герметичность, безопасное и надежное использование, сильную коррозионную стойкость, отсутствие утечки среды и легкую эксплуатацию, успешно решает химический трубопровод с обычными клапанами плохой коррозионной стойкостью, легко перфорировать оболочку, а также плохие характеристики герметичности, легко утечки проблемы. Особенно подходит для химической промышленности аммиака, передачи газопровода, и для удовлетворения требований долгосрочного надежного использования его герметизации, ремонтопригодности, безопасности и так далее. Широко используется в морозильной, холодильной, химической, нефтяной, пищевой, металлургической, сжиженной газовой и других отраслях промышленности.
Характеристики товара
- Учитывая недостатки обычных клапанов с плохой коррозионной стойкостью и легкой перфорацией оболочки, в соответствии с конкретными характеристиками среды, аммиачный клапан изготовлен из коррозионно-стойкой стали (низкотемпературная углеродистая сталь с добавлением коррозионно-стойких легирующих элементов), которая может быть устойчива к коррозии аммиака и жидкого аммиака, а низкая температура может быть до -40 ℃, чтобы обеспечить использование рабочих условий в максимально возможной степени требований.
- Аммиачный шаровой клапан уплотнительная пара тип структуры с использованием шара, плоскость типа, уплотнение автоматической компенсации, для достижения эффекта двойной страховки, стабильная производительность уплотнения, нет адгезии износа, эффективно решить химический трубопровод с обычными клапанами с плохими характеристиками уплотнения, легко утечки проблемы.
- Средний фланец изделия имеет вогнуто-выпуклую структуру уплотнения, что обеспечивает абсолютно надежное уплотнение среднего фланца даже при колебаниях давления в трубопроводе.
- Многоступенчатый уплотнительный материал PTFE используется в верхнем уплотнительном устройстве для формирования комбинации уплотнений, чтобы гарантировать, что клапан не имеет утечки среды в сальниковой коробке в течение срока службы, устраняя возможность слабого уплотнения сальниковой коробки обычных клапанов и легкой утечки среды, которая может даже вызвать аварии.
Параметры продукта
Модель продукта | J41B-25C |
Материал корпуса клапана | литая сталь |
Номинальное давление | ≤2,5 МПа |
Применяемая среда | Аммиак, аммиачная жидкость и т.д. |
Применяемая температура | ≤150°C |
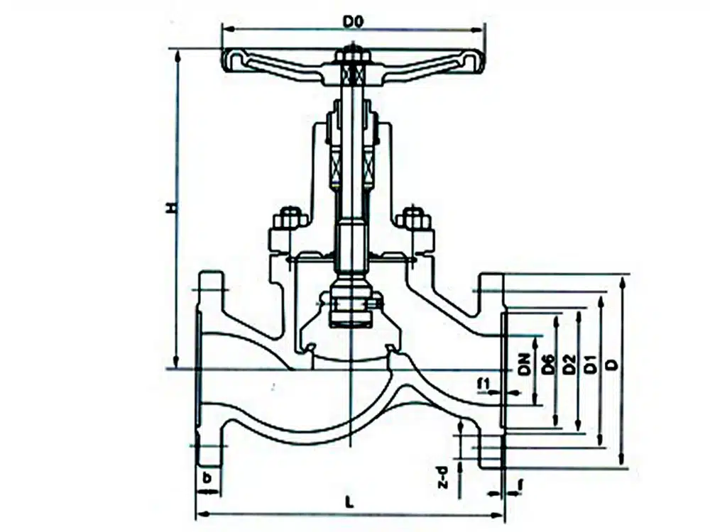
Справочник размеров изделий

DN | L | D | D1 | D2 | D6 | b | f | f1 | з-д |
15 | 130 | 95 | 65 | 45 | 40 | 16 | 2 | 4 | 4-14 |
20 | 150 | 105 | 75 | 55 | 51 | 18 | 2 | 4 | 4-14 |
25 | 160 | 115 | 85 | 65 | 58 | 18 | 2 | 4 | 4-14 |
32 | 180 | 135 | 100 | 78 | 66 | 20 | 2 | 4 | 4-18 |
40 | 200 | 145 | 110 | 85 | 76 | 20 | 3 | 4 | 4-18 |
50 | 230 | 160 | 125 | 100 | 88 | 22 | 3 | 4 | 4-18 |
65 | 290 | 180 | 145 | 120 | 110 | 24 | 3 | 4 | 8-18 |
80 | 310 | 195 | 160 | 135 | 121 | 26 | 3 | 4 | 8-18 |
100 | 350 | 230 | 190 | 160 | 150 | 30 | 3 | 4.5 | 8-23 |
125 | 400 | 270 | 220 | 188 | 176 | 32 | 3 | 4.5 | 8-25 |
150 | 480 | 300 | 250 | 218 | 204 | 32 | 3 | 4.5 | 8-25 |
200 | 600 | 360 | 310 | 278 | 260 | 34 | 3 | 4.5 | 12-25 |
250 | 650 | 425 | 370 | 335 | 310 | 36 | 3 | 4.5 | 12-30 |
300 | 750 | 485 | 430 | 390 | 364 | 40 | 3 | 4.5 | 16-30 |


















