O anel de vedação da válvula borboleta com alavanca de pressão D71X-10P é feito de borracha natural, usado principalmente para meios não corrosivos em temperatura ambiente, temperatura ≤ 50 ℃, adequado para água, ar, aquecimento e assim por diante em temperatura ambiente. A placa borboleta da válvula borboleta é instalada na direção do diâmetro da tubulação. No canal cilíndrico do corpo da válvula borboleta, a placa borboleta em forma de disco gira em torno do eixo, e o ângulo de rotação está entre 0° e 90°, e a válvula fica totalmente aberta quando girada a 90°. Amplamente utilizada em tubulações de alimentos, medicamentos, produtos químicos e outros líquidos e na proteção ambiental industrial, tratamento de água, edifícios altos, tubulações de abastecimento de água e drenagem para abrir e fechar ou regular o fluxo de mídia.
Recursos do produto
- Pequeno e leve, fácil de desmontar e manter, e pode ser instalado em qualquer posição.
- Estrutura simples e compacta, abertura e fechamento rápidos com giro de 90°.
- Baixo torque operacional, economia de mão de obra e leveza.
- As características do fluxo tendem a ser retas, com bom desempenho de regulagem.
- O número de testes de abertura e fechamento é de até dezenas de milhares de vezes, com uma longa vida útil.
- Obtenha vedação completa com zero vazamento no teste de gás.
Parâmetro do produto
Modelo do produto | D71X-10P |
Material do corpo da válvula | Aço inoxidável 304 |
Material da placa da válvula | Aço inoxidável 304 |
Material do revestimento de borracha | borracha natural |
Pressão nominal | ≤1,0Mpa |
Mídia aplicável | Água, gás, etc. |
Temperatura aplicável | ≤50°C |
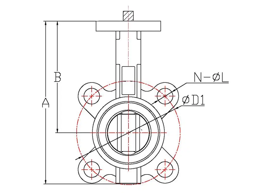
Referência de tamanho do produto

uma via pública | L | A | B | ∅D1 | N-∅L |
DN40 | 43 | 198 | 136 | 110 | 4-18 |
DN50 | 45 | 198 | 136 | 125 | 4-18 |
DN65 | 48 | 216 | 144 | 145 | 4-18 |
DN80 | 48 | 240 | 151 | 160 | 8-18 |
DN100 | 52 | 270 | 167 | 180 | 8-18 |
DN125 | 56 | 300 | 185 | 210 | 8-18 |
DN150 | 57 | 340 | 209 | 240 | 8-22 |
DN200 | 64 | 390 | 235 | 295 | 8-22 |














