PZ73H-10C қолмен басқарылатын пышақ қақпақты клапан, сондай-ақ пышақ қақпақты клапан деп аталады, ілініп тұрған бөлшектері мен талшықты материалдар бар целлюлозалық масса, кәріз сулары, көмір шламдары, күл қалдықтары және цемент қоспалары сияқты орталарды тасымалдайтын құбырларға арналған. Ол талшықты материалдарды кесіп, осы орталарды оқшаулай алатын пышақ тәрізді қақпақ табақшасын пайдаланады. Құлып корпусында ішкі камералар жоқ; қақпақ тақтасы бүйірлік бағыттаушы ойықтар бойымен көтеріліп-төмендейді, ал төменгі тіректері отырғызылатын орынға тығыз басылады. Орнын жақсы тығыздау үшін екі жақты тығыздауды қамтамасыз ететін O-сақиналы отырғызылатын орынды таңдауға болады. Бұл клапан жеңіл әрі икемді жұмыс істеуімен, ықшам өлшемдерімен, кедергісіз ағын арналарымен, төмен ағын қарсылығымен, жеңіл салмағымен және орнату мен бөлшектеудің қарапайымдылығымен ерекшеленеді. Пышақ қақпақты клапанның пышағы кесу функциясына ие, ол тығыздау бетіне жабысып қалған заттарды сыдырып тазалап, қалдықтарды автоматты түрде шығарады. Дат баспайтын болаттан жасалған пышақ коррозиядан туындайтын тығыздағыш ағып кетуіне жол бермейді. Ол кәріз, көмір шламдары, қант сиробы, лай, ауа, шлам-су қоспалары, су жабдығы, қағаз жасау және тау-кен өнеркәсіптерінде кеңінен қолданылады.
Өнімнің сипаттамалары
Өнім моделі | PZ73H-10C |
Валв корпусының материалы | қорытпа болат |
Клапан табақшасының материалы | Карбид/304 тот баспайтын болат |
Номиналды қысым | ≤1,0 МПа |
Қолданылатын орта | Кәріз сулары, целлюлоза, шлам қоспалары және т.б. |
Жұмыс температурасы | ≤100°C |
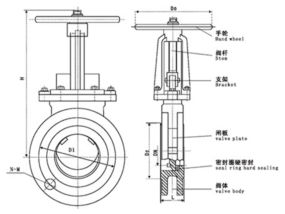
Өнім өлшемдеріне сілтеме

Бор | L | D | 1-күн | D2 | H | Ем-Ем |
DN50 | 43 | 160 | 125 | 100 | 285 | 4-M16 |
DN65 | 46 | 180 | 145 | 120 | 298 | 4-M16 |
DN80 | 46 | 195 | 160 | 135 | 315 | 8-M16 |
DN100 | 52 | 215 | 180 | 155 | 365 | 8-M16 |
DN125 | 56 | 245 | 210 | 185 | 400 | 8-M16 |
DN150 | 56 | 280 | 240 | 210 | 475 | 8-M20 |
DN200 | 60 | 335 | 295 | 265 | 540 | 8-M20 |
DN250 | 68 | 390 | 350 | 320 | 630 | 12-M20 |
DN300 | 78 | 440 | 400 | 368 | 780 | 12-M20 |
DN350 | 78 | 500 | 460 | 428 | 885 | 16-M20 |
DN400 | 102 | 565 | 515 | 482 | 990 | 16-M22 |
DN450 | 114 | 615 | 565 | 532 | 1100 | 20-M22 |
DN500 | 127 | 670 | 620 | 585 | 1200 | 20-M22 |
DN600 | 154 | 780 | 725 | 685 | 1450 | 20-M27 |














