Katup kupu-kupu flensa roda gigi cacing D341F-16Q cocok untuk suhu ≤ 150 ℃, tekanan nominal ≤ 1.6MPa makanan, obat-obatan, industri kimia, minyak bumi, tenaga listrik, tekstil, kertas dan pasokan air dan drainase lainnya, pipa gas untuk tujuan mengatur aliran dan intersepsi peran media.
Fitur Produk
- Desain baru, masuk akal, struktur khusus, ringan, pembukaan dan penutupan yang cepat.
- Torsi pengoperasian yang kecil, mudah dioperasikan, hemat tenaga kerja dan cekatan.
- Dapat dipasang di posisi apa pun, perawatannya mudah.
- Segel dapat diganti dan performa penyegelan dapat dicapai pada kedua arah.
- Bahan penyegel tahan terhadap penuaan, korosi yang lemah dan masa pakai yang lama.
Parameter Produk
Model Produk | D341F-16Q |
Bahan badan katup | besi ulet |
Bahan pelat katup | 304 baja tahan karat |
Bahan lapisan karet | Polytetrafluoroethylene PTFE |
Tekanan nominal | ≤1.6Mpa |
Media yang berlaku | Air, gas, minyak, dll. |
Suhu yang berlaku | ≤150°C |
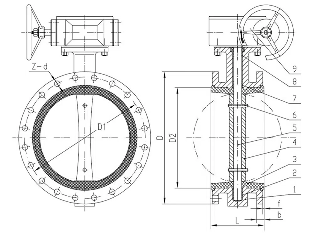
Referensi Ukuran Produk

DN | L | D | D1 | D2 | b | f | z-d |
40 | 106 | 145 | 110 | 85 | 16 | 3 | 4-18 |
50 | 108 | 160 | 125 | 100 | 16 | 3 | 4-18 |
65 | 112 | 180 | 145 | 120 | 18 | 3 | 4-18 |
80 | 114 | 195 | 160 | 135 | 20 | 3 | 8-18 |
100 | 127 | 215 | 180 | 155 | 20 | 3 | 8-18 |
125 | 140 | 245 | 210 | 185 | 22 | 3 | 8-18 |
150 | 140 | 280 | 240 | 210 | 24 | 3 | 8-23 |
200 | 152 | 335 | 295 | 265 | 26 | 3 | 12-23 |
250 | 165 | 405 | 355 | 320 | 30 | 3 | 12-25 |
300 | 178 | 460 | 410 | 375 | 30 | 4 | 12-25 |
350 | 190 | 520 | 470 | 435 | 34 | 4 | 16-25 |
400 | 216 | 580 | 525 | 485 | 36 | 4 | 16-30 |
450 | 222 | 640 | 585 | 545 | 40 | 4 | 20-30 |
500 | 229 | 705 | 650 | 608 | 44 | 4 | 20-34 |
600 | 267 | 840 | 770 | 718 | 48 | 5 | 20-41 |
700 | 292 | 910 | 840 | 788 | 50 | 5 | 24-41 |
800 | 318 | 1020 | 950 | 898 | 52 | 5 | 24-41 |
900 | 330 | 1120 | 1050 | 998 | 54 | 5 | 28-41 |
1000 | 410 | 1255 | 1170 | 1110 | 56 | 5 | 28-48 |














