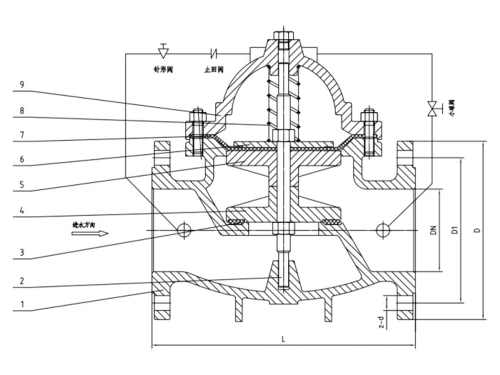
Katup penutup lambat 300X terdiri dari katup utama, katup periksa, katup jarum, katup bola, filter mikro, dan pengukur tekanan untuk membentuk sistem penerima kontrol hidraulik. Menggunakan operasi otomatis hidraulik, katup utama dapat dibuka dengan cepat atau ditutup perlahan. Mencegah timbulnya pemogokan air jam air untuk mencapai efek peredaman penutupan yang lambat. Ketika katup periksa yang menutup lambat memasukkan air dari ujung saluran masuk, air memasuki ruang kontrol katup utama melalui filter mikro, katup jarum, katup periksa, dan kemudian mengalir ke hilir melalui katup bola. Karena bukaan katup jarum lebih kecil dari bukaan katup bola, yaitu laju drainase ruang kontrol katup utama lebih besar dari laju pemasukan air, sehingga tekanan ruang kontrol berkurang, peran cakram katup utama di ujung bawah tekanan saluran masuk untuk membuka katup utama ke suplai air hilir. Ketika pipa berhenti memasok air, jika air hilir mulai mengalir kembali, sebagian air aliran balik melalui katup bola ke ruang kontrol utama, karena katup periksa, air aliran balik tidak dapat mengalir keluar dari ruang kontrol utama, menyebabkan ruang kontrol utama secara bertahap meningkatkan tekanan, perlahan-lahan menutup katup utama.
Karakteristik kinerja
- Struktur yang baru dan masuk akal, penggunaan rasional dari prinsip hidrolik sibernetika.
- Pengoperasian yang lancar dan andal serta laju aliran yang tinggi.
- Tutup katup cepat dibuka dan lambat ditutup, tidak ada dampak palu air (waktu penutupan dapat disesuaikan).
- Segel tanpa pengembalian yang baik dan masa pakai yang lama.
- Mudah dipasang dan dirawat.
Parameter Produk
Model Produk | 300X-16P |
Bahan badan katup | 304 baja tahan karat |
Tekanan nominal | ≤1.6Mpa |
Media yang berlaku | air dan sebagainya |
Suhu yang berlaku | ≤80°C |
Referensi Ukuran Produk

jalan raya | L | D | D1 | D2 | b | f | z-d |
DN40 | 210 | 150 | 110 | 88 | 18 | 3 | 4-18 |
DN50 | 210 | 165 | 125 | 102 | 18 | 3 | 4-18 |
DN65 | 231 | 185 | 145 | 122 | 18 | 3 | 4-18 |
DN80 | 253 | 200 | 160 | 138 | 20 | 3 | 8-18 |
DN100 | 256 | 220 | 180 | 158 | 20 | 3 | 8-18 |
DN125 | 312 | 250 | 210 | 188 | 22 | 3 | 8-18 |
DN150 | 364 | 285 | 240 | 212 | 22 | 3 | 8-22 |
DN200 | 398 | 340 | 295 | 268 | 24 | 3 | 12-22 |














