Q41F-16 flange ball valve untuk bahan besi cor katup bola segel lunak, katup bola besi cor digunakan pada suhu kerja ≤ 150 ℃ air, uap dan pipa media non-korosif lainnya, untuk membuka dan menutup; kelebihannya untuk membuka dan menutup dengan cepat, adalah suhu normal aplikasi pipa media air dari produk katup yang lebih umum.
Karakteristik Produk
- Hambatan fluida kecil, katup bola bor penuh pada dasarnya tidak ada hambatan aliran.
- Struktur sederhana, ukuran kecil dan ringan.
- Ketat dan andal, bahan permukaan penyegelan katup bola saat ini banyak digunakan PTFE, penyegelan yang baik.
- Mudah dioperasikan, cepat dibuka dan ditutup, dari terbuka penuh hingga tertutup penuh dengan rotasi 90°.
- Perawatan yang mudah, struktur katup bola sederhana, segel umumnya aktif, pembongkaran dan penggantian lebih nyaman.
- Saat terbuka penuh atau tertutup penuh, permukaan penyegelan bola dan dudukan diisolasi dari media, dan aliran media tidak akan menyebabkan erosi pada permukaan penyegelan katup bola.
- Karena sifatnya yang menyeka selama pembukaan dan penutupan, katup bola dapat digunakan dalam media dengan partikel padat tersuspensi.
Parameter Produk
Model Produk | Q41F-16 |
Bahan badan katup | besi cor abu-abu |
Tekanan nominal | ≤1.6Mpa |
Media yang berlaku | Air, uap, minyak |
Suhu yang berlaku | ≤150°C |
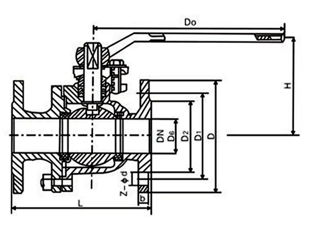
Referensi Ukuran Produk

jalan raya | L | D | D1 | D2 | f | b | Z-d | H | Apakah |
DN15 | 130 | 95 | 65 | 45 | 2 | 14 | 4-14 | 78 | 160 |
DN20 | 145 | 105 | 75 | 55 | 2 | 16 | 4-14 | 110 | 160 |
DN25 | 155 | 115 | 85 | 65 | 2 | 16 | 4-14 | 110 | 160 |
DN32 | 160 | 135 | 100 | 78 | 2 | 18 | 4-18 | 115 | 160 |
DN40 | 175 | 145 | 110 | 85 | 3 | 18 | 4-18 | 150 | 250 |
DN50 | 200 | 160 | 125 | 100 | 3 | 20 | 4-18 | 150 | 250 |
DN65 | 220 | 180 | 145 | 120 | 3 | 20 | 4-18 | 180 | 350 |
DN80 | 250 | 195 | 160 | 135 | 3 | 22 | 8-18 | 185 | 350 |
DN100 | 280 | 215 | 180 | 155 | 3 | 24 | 8-18 | 225 | 400 |
DN125 | 350 | 245 | 210 | 185 | 3 | 26 | 8-18 | 265 | 600 |
DN150 | 400 | 280 | 240 | 210 | 3 | 26 | 8-23 | 275 | 600 |
DN200 | 455 | 335 | 295 | 265 | 3 | 30 | 12-23 | 310 | 800 |


















