Katup periksa bola mengadopsi bola yang dilapisi karet sebagai penutup katup, di bawah aksi medium, dapat menggulung ke atas dan ke bawah, ke kiri dan ke kanan pada slide integral di badan katup, untuk membuka atau menutup katup. Penutupan tipe peredam suara, tidak menghasilkan palu air, kinerja penyegelan yang baik. Badan katup mengadopsi saluran aliran air penuh, aliran besar, resistansi kecil, kehilangan kepala lebih kecil dari tipe bukaan putar 50%, metode pemasangan terbaik untuk pemasangan vertikal, dapat digunakan untuk outlet pompa sistem pipa air dingin, air panas, air panas, outlet pompa sistem pipa air industri dan rumah tangga, untuk mencegah media mengalir ke belakang.
Prinsip Kerja
Tutup katup katup bola ditutupi dengan karet atau bola plastik rekayasa, sehingga penyegelannya dapat diandalkan. Diameter nominal katup periksa bola dengan ukuran bola tunggal dan titik multi-bola, prinsip penyegelan adalah: ketika pompa menyala, aliran tekanan media positif sedang untuk mendorong gerakan bola, di sepanjang kolom pemandu untuk meninggalkan permukaan penyegelan kursi, katup periksa akan terbuka, media melalui, ketika pompa berhenti, media membalikkan aliran tekanan untuk mendorong bola di sepanjang kolom pemandu untuk menggulung ke permukaan penyegelan dudukan katup, tutup katup periksa, dengan mengandalkan tekanan media, sehingga tutup bola dan permukaan penyegelan dudukan bola menghasilkan tekanan rasio penyegelan tertentu, untuk memastikan bahwa katup periksa menyegel untuk mencegah media mengalir ke belakang. Dengan tekanan media kerja, penutup katup bola dan permukaan penyegelan dudukan katup untuk menghasilkan tekanan penyegelan tertentu, untuk memastikan penyegelan katup periksa, untuk mencegah tujuan aliran balik media.
Parameter Produk
Model Produk | HQ41X-16Q |
Bahan badan katup | besi ulet |
Tekanan nominal | ≤1.6Mpa |
Media yang berlaku | air dan sebagainya |
Suhu yang berlaku | ≤80°C |
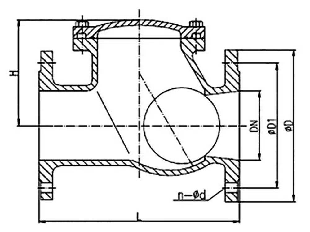
Referensi Ukuran Produk

jalan raya | L | H | D | D1 | n-d |
DN40 | 200 | 98 | 150 | 110 | 4-18 |
DN50 | 200 | 98 | 165 | 125 | 4-18 |
DN65 | 220 | 115 | 185 | 145 | 4-18 |
DN80 | 245 | 128 | 200 | 160 | 8-18 |
DN100 | 270 | 145 | 220 | 180 | 8-18 |
DN125 | 310 | 180 | 250 | 210 | 8-18 |
DN150 | 330 | 210 | 285 | 240 | 8-22 |
DN200 | 375 | 260 | 340 | 295 | 12-22 |


















