100X válvula de flotador de control remoto consiste en la válvula principal, válvula de aguja, válvula de bola, válvula de flotador, micro-filtro y otros componentes del sistema receptor de control hidráulico, ajustado, el control automático de la altura del nivel de líquido.100X válvula de flotador de control remoto se puede utilizar directamente para controlar el nivel de líquido, sin necesidad de otros dispositivos y fuentes de energía, fácil mantenimiento, alta precisión del control de nivel de líquido, no se ve afectada por la presión del agua, sellado y fiable. Ampliamente utilizado en edificios de gran altura, viviendas y otros sistemas de red de abastecimiento de agua de las torres de agua, piscinas y otras instalaciones del control de nivel de líquido.
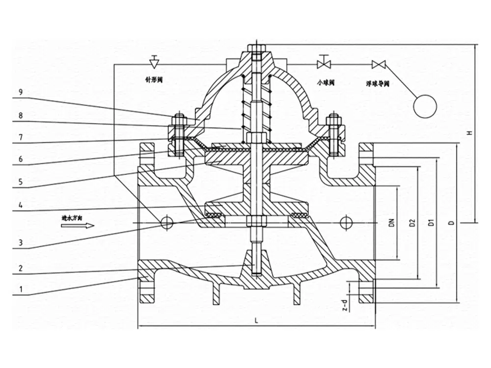
Principio de funcionamiento
Cuando la tubería desde el extremo de entrada del suministro de agua, debido a que la válvula de aguja, válvula de bola, válvula de flotador está normalmente abierta, el agua a través del micro-filtro, válvula de aguja, sala de control, válvula de bola, válvula de flotador en la piscina, en este momento, la sala de control no forma la presión, la válvula principal se abre, la torre de agua (piscina) el suministro de agua. Cuando la superficie del agua de la torre de agua (piscina) se eleva a la altura establecida, el flotador flota para cerrar la válvula de flotador, la presión del agua en la sala de control se eleva, empujando la válvula principal para cerrar y el suministro de agua se detiene. Cuando la superficie del agua desciende, la válvula de flotador vuelve a abrirse, la presión del agua en la sala de control desciende y la válvula principal vuelve a abrirse para continuar el suministro de agua, manteniendo la altura fijada del nivel del líquido.
Parámetros del producto
Modelo de producto | 100X-16P |
Material del cuerpo de la válvula | Acero inoxidable 304 |
Presión nominal | ≤1,6Mpa |
Medio aplicable | agua, etc. |
Temperatura aplicable | ≤80°C |
Referencia del tamaño del producto

una vía pública | L | D | D1 | D2 | b | f | z-d |
DN40 | 210 | 150 | 110 | 88 | 18 | 3 | 4-18 |
DN50 | 210 | 165 | 125 | 102 | 18 | 3 | 4-18 |
DN65 | 231 | 185 | 145 | 122 | 18 | 3 | 4-18 |
DN80 | 253 | 200 | 160 | 138 | 20 | 3 | 8-18 |
DN100 | 256 | 220 | 180 | 158 | 20 | 3 | 8-18 |
DN125 | 312 | 250 | 210 | 188 | 22 | 3 | 8-18 |
DN150 | 364 | 285 | 240 | 212 | 22 | 3 | 8-22 |
DN200 | 398 | 340 | 295 | 268 | 24 | 3 | 12-22 |














