P41X单口法兰排气阀适用于工业介质为水的管路上,作为快速排除管道内气体的设备,以提高输送水设备的效率和保护管道不致变形破裂,是管道的必备之设备。阀为圆桶状式阀体,共内部主要有不锈钢浮球及塞头。本阀装设于泵埔出口处或送配水管线中,用以大量排除管道中的集结之空气,以增进水管及抽水机使用效率,且与管内一旦出现负压时,此阀能迅速吸入空气,以保管线因负压所产生损坏。广泛应用于市政建设、建筑、热力、暖通、中央空调、农田水利、火力发电、石油、化工、冶金、矿山、消防、环保、食品、航运、医药、轻纺等各个领域。
Características del producto
- 能够排除管道中的气体,减少阻力节约能源。
- 当管道负压时,本产品能快速自动吸入空气防止管道破裂。
- 排气能力是普通双孔排气阀多倍。
- 浮球托架为不锈钢,使用寿命长,安全可靠。
Principio de funcionamiento
P41X单口法兰排气阀在管道运转时,浮球停在球碗底部,进行大量排气,当管内空气排完,水冲进阀内,经过球碗然后反应浮球,使浮球浮动关闭,管道在正常运转时,如有少量气体会集中到阀内到相当程度,阀内水位下降,浮球随之下降,气体从小孔排出。如水泵停止,随时会产生负压力,浮球随时下降,进行大量吸气确保管路安全。
Parámetros del producto
Modelo de producto | P41X-16Q |
Material del cuerpo de la válvula | hierro dúctil |
Presión nominal | ≤1,6Mpa |
Medio aplicable | agua, etc. |
Temperatura aplicable | ≤80°C |
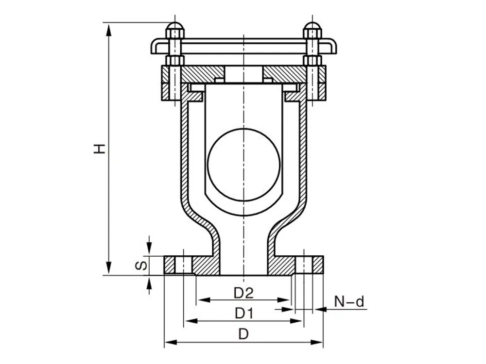
Referencia del tamaño del producto

una vía pública | D | D1 | D2 | S | H | N-d |
DN25 | 115 | 85 | 65 | 16 | 285 | 4-14 |
DN50 | 160 | 125 | 102 | 16 | 340 | 4-18 |
DN80 | 195 | 160 | 135 | 20 | 490 | 8-18 |
DN100 | 215 | 180 | 158 | 20 | 545 | 8-18 |
DN150 | 280 | 240 | 212 | 22 | 615 | 8-23 |
DN200 | 335 | 295 | 268 | 24 | 730 | 12-23 |












